Avec EPIE, les retours sont gratuits !
-
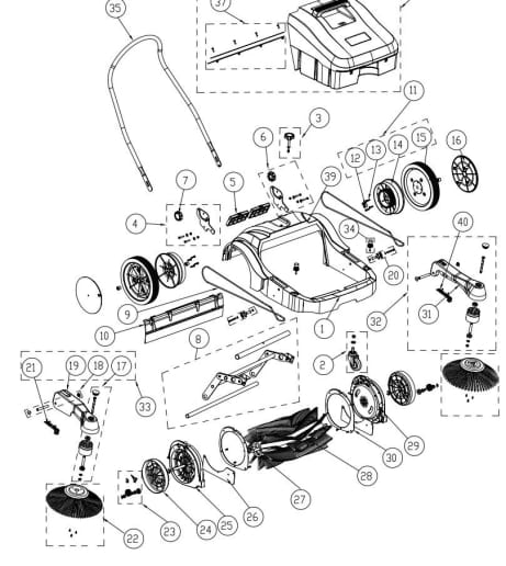
Descriptif :
Bras latéral gauche pour votre balayeuse manuelle Nilfisk SW250.
Ensemble de pièces qui compose le repère 32 de la vue éclatée.
Appareils compatibles :
-
Avis clientsPas d'avis
Kit levier latéral gauche pour balayeuse manuelle Nilfisk SW250
Ajouter à votre liste d'envies
Référence : VP11500
82,30 € HT
98,76 € TTC
En stock
Pourquoi choisir EPIE ?
|
Des prix attractifs toute l’année Chez EPIE le prix s'oublie, la qualité reste ! |
|
|
Certification ISO 9001 : 2015 Strict respect des normalisations |
Vous aimerez aussi










